Additional information
MITSUBISHI: M191X69671 MITSUBISHI: M008T71371 MITSUBISHI: M008T71371ZE MITSUBISHI: M008T71471 MITSUBISHI: M008T71471ZE MITSUBISHI: M008T75371 MITSUBISHI: M8T71371 MITSUBISHI: M8T71371ZE MITSUBISHI: M8T71471 MITSUBISHI: M8T71471ZE MITSUBISHI: m8t75271 MITSUBISHI: M8T75371 MITSUBISHI: M8T75671
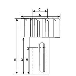
Commodity Name:
Multi-Plate Clutch, starter HC-Cargo F032234810
The administrator of personal data is MWM Truck & Trailer Parts Sp. z o.o., 10 Zakątkowa Street, 35-317 Rzeszów. Data in the form will be processed in order to respond to the submitted query, in accordance with the Privacy Policy.